推荐资讯
80交流伺服电机
产品详情
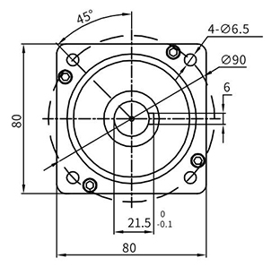
电机尺寸表 Motor dimension table

电机型号Motor model
| 电机型号 | L(mm) |
| 80ST-□006XX | 144 |
| 80ST-□013XX | 150 |
| 80ST-□024XX | 170 |
| 80ST-□006XXB | 188 |
| 80ST-□013XXB | 194 |
| 80ST-□024XXB | 214 |
注:电机接口、电压、转速可按客户要求定制
参数表 Parameter table
| AC220V | |||
| 电机型号 | 80ST-口00630 | 80ST-口01330 | 80ST-口02430 |
| 额定功率(KW) | 0.2 | 0.4 | 0.75 |
| 额定电流(A) | 0.8 | 1.6 | 3.0 |
| 额定转速(rpm) | 3000 | 3000 | 3000 |
| 转速高至(rpm) | 3600 | 3600 | 3600 |
| 额定扭矩(Nm) | 0.6 | 1.3 | 2.4 |
| 峰值扭矩(Nm) | 1.8 | 3.9 | 7.2 |
| 转子惯量(kg.cm2) | 0.3 | 0.6 | 0.9 |
| 机械时间常数(ms) | 6 | 7 | 9 |
注:电机接口、电压、转速可按客户要求定制
型号命名规则 Model naming rules

| 代号说明 | ||
| ① | 机座号、电机外径 | 单位:mm |
| ② | 伺服电机形式 | ST表示电机为正弦波驱动的永磁同步电机 |
| ③ | 反馈元件规格 | M表示增量型编码器(2500C/T),J表示绝对值型高精度编码器,X表示1对极旋转变压器 |
| ④ | 额定转矩 | 表示电机额定转矩,其值为三位X0.1单位Nm |
| ⑤ | 额定转速 | 表示电机额定转速,其值为两位X100单位rpm |
| ⑥ | 失电制动器代号 | F表示电机结构为防水型(玻璃机械专用),缺省表示普通型 B表示带失电制动器,缺省表示不带失电制动器 Y表示接线型,缺省表示普通型 |
| ⑦ | 电压等级 | 表示电机额定电压,包括DC24V、DC48V、DC72V、DC96V、AC380V,缺省表示AC220V |
| ⑧ | 定制特征 | 客户定制代号 |
上一篇:60交流伺服电机
下一篇: 90交流伺服电机

